帶遠傳磁翻板液位計根據浮力原理,浮子在測量管內隨液位的升降而上、下移動,浮子內的**磁鋼通過磁耦合作用,驅動紅、白色翻柱翻轉 180 。 磁翻板液位計液位上升時,翻柱由白色轉為紅色,下降時由紅色轉為白色,從而實現液位的指示。
磁翻板液位計是利用其內部的磁性浮子隨液位變化產生的磁位移,使得液位視窗的紅白磁翻柱作相應的翻轉來指示液位的高度。當浮子下降時,由紅色轉為白色,紅色始終表示液位的高低。
的目的。
磁浮子液位計結構及工作原理
1、基本型
根據浮力原理,浮子在測量管內隨液位的升降而上、下移動,浮子內的**磁鋼通過耦合作用,驅動紅、白色翻柱翻轉180°,液位上升時翻柱由白色轉為紅色,下降時由紅色轉為白色,從而實現液位指示。
2、電遠傳
在浮子液位計上安裝變送器,通過浮子上下移動,經磁耦合作用使導桿內測量元件依次動作,獲得電阻信號變化,轉換成0~10mA或4~20mA的標準信號輸出,與顯示儀表或計算機連接,達到遠傳目的。
3、上下限開關輸出
在液位計立管上由用戶設定上、下限位置安裝控制器,控制器內帶有自保持作用的舌簧開關,利用磁性浮子隨液位移動使簧片開關動作時,實現報警或限位控制。

帶遠傳磁翻板液位計系統構成及接線
1、上下限開關輸出
由具有自保持作用的舌簧開關和轉換器組成,舌簧開關和轉換器分別安裝于現場和控制室,由轉換器提供三對觸點開關。
2、電遠傳
由測量單元和變送單元兩部分組成。
3、本安防爆
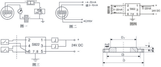
a 帶本安防爆,上、下限開關輸出型
防爆開關由舌簧開關和帶繼電器觸點的安全柵組成,可向用戶直接提供一對常開或常閉觸點。如用戶需更多觸點可特殊設計訂貨。(圖三)
b 帶本安防爆遠傳型
適合使用于∏類電氣設備(工廠用)、C級氣體,*高表面溫度組別T4(135℃)。(圖四)
c 使用注意事項
①變送器外殼設有外接地,用戶使用時必須可靠接地。
②安全柵的使用應遵守有關使用說明內容。
③變送器與安全柵本安端的連接電纜為二芯屏蔽電纜,芯線截面積>0.5m,電纜允許分布電容為0.8μF。

項目 | 數量 | 備注 |
磁翻柱液位計 | 一臺 | |
產品使用說明書 | 一本 | |
產品合格證 | 一份 | |
裝箱單 | 一份 | |
液位變送器(配變送輸出儀表) | 一臺 | |
備用工具磁鋼 | 一塊 | |
序號 | 名稱 | 規格 | 材料 | 數量 | 建議更換期 |
1 | 密封墊 | Φ72.5、δ=1.5 | 耐油橡膠石棉 | 1 | 1~2年 |
2 | 密封墊 | Φ22 、δ=1.5 | 紫銅 | 1 | 1~2年 |
3 | 密封墊 | Φ115、δ=2 | 耐油橡膠 | 1 | 1~2年 |
4 | 密封墊 | Φ115、δ=2 | 氟橡膠 | 2 | 0.5~1年 |
5 | 密封墊 | Φ8.6×43 | ABS | 1 | 3~5年 |
6 | 指示器 | Φ8.6×43 | ABS或聚碳酸酯 | 108/m | 3~5年 |
序號 | 故障特征 | 產生的原因 | 排除方法 |
1 | 液位升降、儀表無指示 | 1、浮子漏、損壞 | 更換損壞部件 |
2、浮子失磁 | |||
3、浮子室內有異物,浮子卡死或不能下降 | 進行清理處理 | ||
2 | 翻柱指示不正常 | 部分翻柱失磁 | 更換 |
3 | 儀表發生滲漏 | 1、密封處未密封好 | 壓緊密封面 |
2、密封件損壞 | 更換密封墊 | ||
3、焊縫開裂 | 補焊或送制造廠檢修 |
| 用戶自備法蘭 | |||||||||||||||||||||||||||||||||||||||||||||||||||||||||||||||
| |||||||||||||||||||||||||||||||||||||||||||||||||||||||||||||||
| 帶遠傳磁翻板液位計主要技術指標 | |||||||||||||||||||||||||||||||||||||||||||||||||||||||||||||||
| |||||||||||||||||||||||||||||||||||||||||||||||||||||||||||||||
帶遠傳磁翻板液位計型號說明 | |||||||||||||||||||||||||||||||||||||||||||||||||||||||||||||||
| |||||||||||||||||||||||||||||||||||||||||||||||||||||||||||||||




